Apex Cargo Service Oversee Extra Large Cargo Project
ACS Group (Ningbo Branch) recently finished 2 railway services in under EX-Works term, from Zhengzhou, China to Hamburg, Germany for an extra-large cargo project.
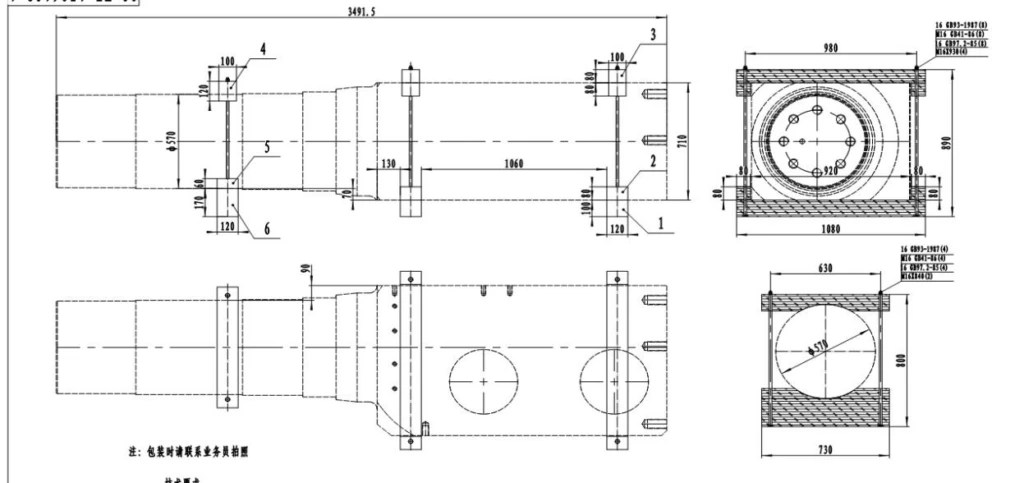
Shipment information:
Commodity: bearing house and roller shaft
Quantity:4 pieces
Dimensions: L2306 X W2306 X H1600 mm and L3500 X W900 X H1000 mm
Weight: 19,500 kg and 11,000 kg
Shipping requirements:
- Bearing seats had to be bracketed and placed on solid wood or steel pallets but for the use of steel pallets, they had to be welded well. The pallet size was strictly in accordance with 4000 X 2300mm, and the pallet width could not exceed 2300mm. The goods had to be firmly fixed on pallets to prevent overturning whilst in transit.
- Grinding roller shafts had to be palletised by solid wood or steel pallets but for the use of steel pallets, they had to be welded well. The pallet size was strictly in accordance with 4000 X 1300mm. The goods had to be firmly fixed on pallets to prevent overturning whilst in transit.
Due to the weight and size of a single unit of the goods, the cargo reached the railway transport limit.
The whole process was methodical and fully coordinated by the factory.


Would you like to see what our members are currently up to?
Follow us and engage with us on:
About AerOceaNetwork (AON):
Since 2002 we have been running AerOceaNetwork (AON). We are a non-exclusive group of like minded independent international freight forwarders who want to excel in their markets. At the same time we are building our good name around the globe. Our global forwarding members meet annually to develop their cargo business pipelines and establish personal ties, which quite often even develop into lifelong friendships – another intangible benefit of joining our group of forwarding professionals.
We target positive people who run progressive international logistics companies for our forwarding network membership. We aim to stick to that membership profile and build on it for the future. Everyone benefits from this.
Before becoming our forwarding network member, prospect applicants are required to provide references of other international freight forwarding agents who they’ve worked with over time. We check these shipping references for financial ability, operational capability, mutual sales development & follow up, and communication skills (both in ability as well as response time) as well as other pertinent information. Only companies who pass this process can be offered membership in our group.